傳感器

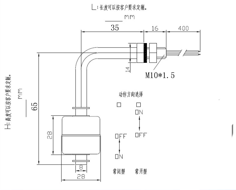
FAST-35/65
長*高(mm):35*65
最大開關功率:70W
最大開關電壓:250V
最大開關電流:0.5A
工作溫度:-40~120度
最大開關功率:70W
最大開關電壓:250V
最大開關電流:0.5A
工作溫度:-40~120度
|
安裝方式 |
側裝 |
|
動作方式 |
常開 NO 或 常閉 NC |
|
最大開關功率 W |
70 |
|
最大開關電壓 (Vdc / Vac) |
200 / 250 |
|
最大開關電流 A |
0.5 |
|
最小擊穿電壓 V |
580 |
|
最大接觸電阻 mOhms |
200 |
|
工作溫度 |
常溫型:-40 -80oC |
|
桿材質 |
SUS304 |
|
浮球材質 |
SUS304 |
|
電線 |
UL1332 22# |
注:更多技術參數請下載技術規格選型書!
二、產品尺寸





